Ενδοδαπέδια Κανάλια Ψύξης - Θέρμανσης & Διακοσμητικά ενδοδαπέδια Fan Coil HΙTΤΕ Trench Heating
Ενδοδαπέδια κανάλια ψύξης θέρμανσης για διακριτική ψύξη και θέρμανση χώρων που τοποθετούνται εντός του δαπέδου, μπροστά στα ανοίγματα όπου υπάρχουν απώλειες, ιδανικά για αρχιτεκτονικές εφαρμογές υψηλής αισθητικής.
Τα ενδοδαπέδια κανάλια ψύξης θέρμανσης HITTE τοποθετούνται στο σημείο ακριβώς που βρίσκονται οι μεγαλύτερες απώλειες της σύγχρονης αρχιτεκτονικής εφαρμογής, πολλές φορές συμπληρωματικά της ενδοδαπέδιας θέρμανσης, άλλες αντικαθιστώντας την, πάντοτε όμως περιμετρικά, μπροστά ακριβώς στα ανοίγματα και στους υαλοπίνακες της εγκατάστασης. Τα ενδοδαπέδια κανάλια ταυτόχρονα αποτελούν εξαιρετικό διακοσμητικό στοιχείο του χώρου με την διακριτική και πολυτελή εμφάνιση τους με γρίλια από ανοδιωμένο αλουμίνιο σε τέσσερα χρώματα που επιτυγχάνονται μέσω ανοδίωσης, σε ανοξείδωτο AISI 316L, βαμμένες σε χρώματα της παλέτας RAL ή ακόμα και σε τρια διαφορετικά είδη ξύλου.
Με ύψη που ξεκινούν από τα 65mm, τα ενδοδαπέδια κανάλια & trench convectors περιμετρικής θέρμανσης μπορούν εύκολα να χρησιμοποιηθούν σε ανακαινίσεις κατοικιών ή επαγγελματικών χώρων ή όπου το διαθέσιμο βάθος είναι περιορισμένο ενώ οι απαιτήσεις σε ψύξη ή θέρμανση είναι αυξημένες.
- Κατεβάστε το διαφημιστικό έντυπο [GR]:
Έντυπο HITTE - Κατεβάστε τώρα τον κατάλογο ενδοδαπέδιων καναλιών HITTE του 2019 (En) Trench Heaters
Hitte 2019 .pdf48.94 MB
Αντιπροσωπεία για ενδοδαπέδια κανάλια κλιματισμού για Κύπρο και Ελλάδα
Τα ενδοδαπέδια κανάλια κλιματισμού της HITTE, της μοναδικής εταιρίας στον κόσμο με την δυνατότητα κατασκευής προσαρμοσμένων λύσεων σε ελάχιστο χρόνο, αντιπροσωπεύονται στην Ελλάδα και την Κύπρο από την γενική θερμάνσεων ΓΚΡΟΥΠ ΑΕ. Διαθέτουμε εκπαιδευμένους μηχανικούς οι οποίοι σας καθοδηγούν κατά την επιλογή του κατάλληλου ενδοδαπέδιου καναλιού ώστε να επιτευχθεί η βέλτιστη ισορροπία ανάμεσα στην αισθητική και την λειτουργικότητα. Επικοινωνήστε μαζί μας για περισσότερες πληροφορίες.

FXX
Ενδοδαπέδια κανάλια fan-coil με ανεμιστήρα Inverter DC για εφαρμογές Ψύξης & Θέρμανσης
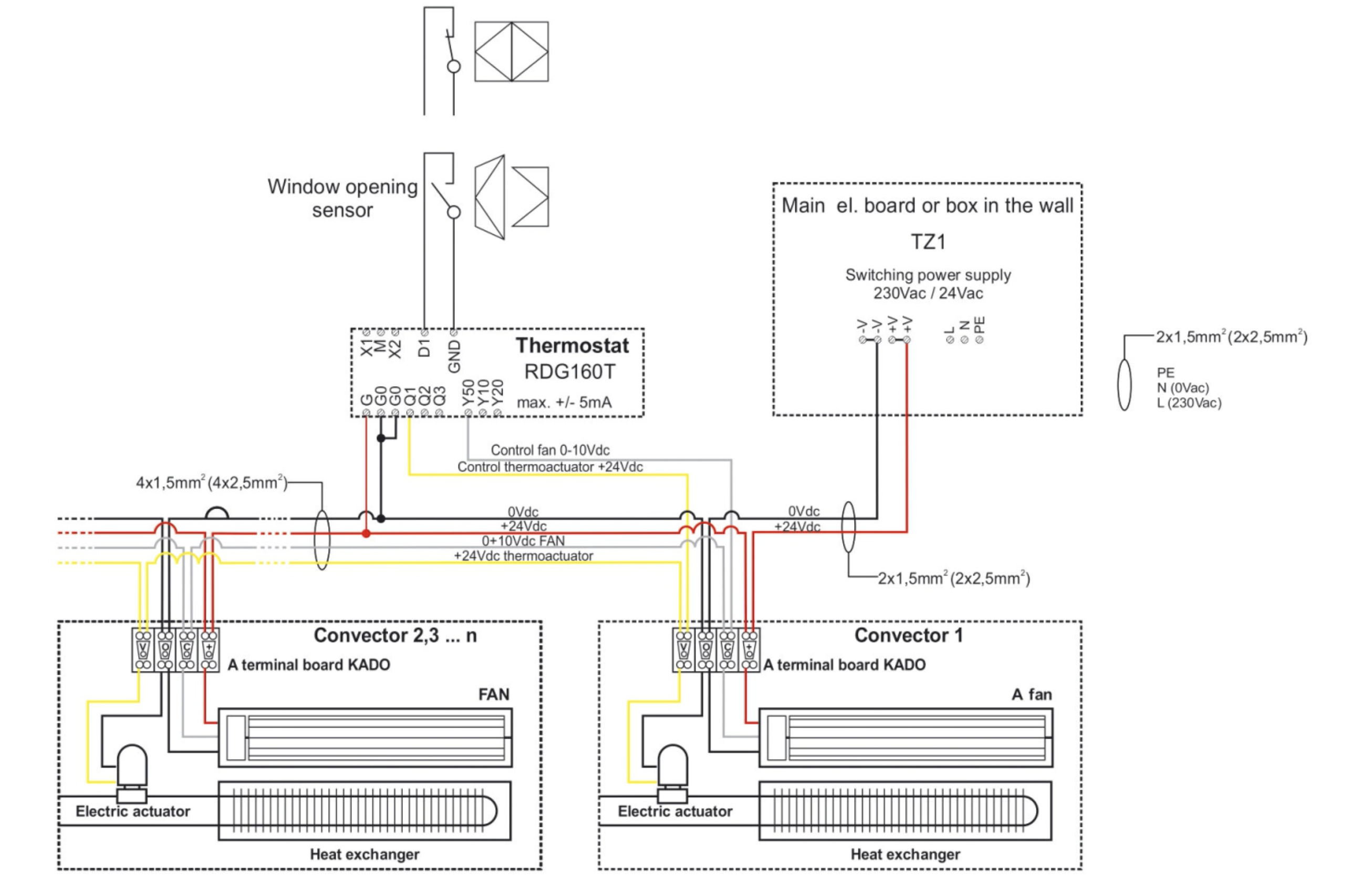
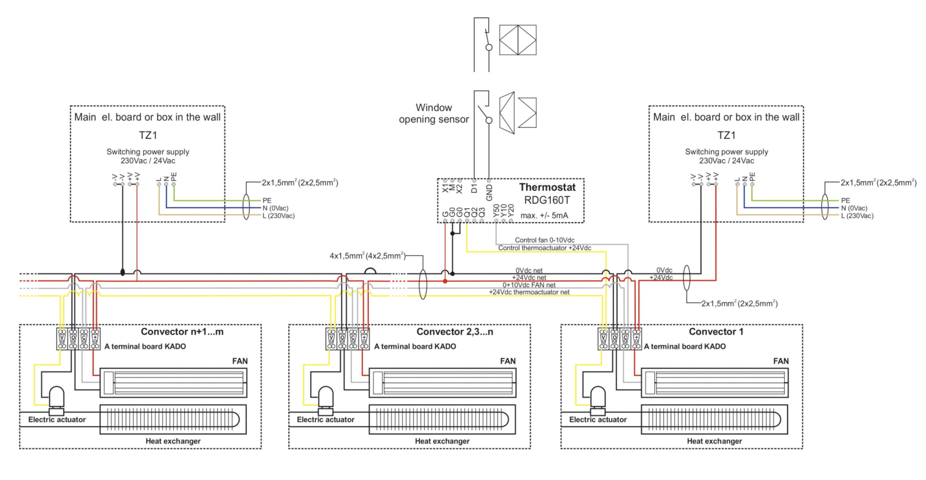
Οι τύποι ενδοδαπέδιων καναλιών ψύξης θέρμανσης FXX έχουν Γερμανικής κατασκευής εφαπτομενικό ανεμιστήρα βεβιασμένης κυκλοφορίας αέρα που υποβοηθά την λειτουργία θέρμανσης και παράλληλα επιτρέπει την λειτουργία τους και σε ψύξη.
Τα οικονομικά ενδοδαπέδια κανάλια - Trench Heating - χρησιμοποιούνται ως κύρια πηγή θέρμανσης του χώρου και ως ένα αποτελεσματικό φράγμα αέρα μπροστά από μεγάλους υαλοπίνακες ενώ ταυτόχρονα εξαλείφει τα συμπυκνώματα υγρασίας από αυτούς.
Οι εφαπτομενικοί ανεμιστήρες είναι inverter και λειτουργούν με συνεχές ρεύμα στα απολύτως ασφαλή 24V το οποίο όχι μόνο εξασφαλίζει μεγάλη οικονομία αλλά επίσης και εξαιρετικά χαμηλά επίπεδα θορύβου καθιστώντας τα έτσι ιδανικά για χρήση σε κρεββατοκάμαρες, παιδικά δωμάτια, δωμάτια ξενοδοχείων κ.α.
Στο εξωτερικό και κυρίως στις Βόρειες χώρες, τα ενδοδαπέδια κανάλια χρησιμοποιούνται κυρίως για θέρμανση (ή ως ενδοδαπέδιοι θερμοπομποί χωρίς ανεμιστήρα) εδώ και πολλά χρόνια, είναι γνωστά ως trench heating ή trench convectors και αποτελούν έναν απο τους πλέον διαδεδομένους και καθιερωμένους τρόπους αποτελεσματικής θέρμανσης που τώρα μπορεί να γίνει και οικονομικά. Με την χρήση πανίσχυρων αλλά αθόρυβων ανεμιστήρων μπορέσαμε να επιτύχουμε άριστη λειτουργία και υψηλή απόδοση και σε λειτουργία ψύξης που είναι απαραίτητη για το δικό μας εύκρατο κλίμα.
Οικονομικά Ενδοδαπέδια Κανάλια
Με ένα υπερσύγχρονο εργοστάσιο να παράγει αποκλειστικά ενδοδαπέδια κανάλια για ολόκληρη την Ευρώπη, την Ρωσία και πολλές Ασιατικές χώρες, η HITTE έχει καταφέρει να κάνει προσιτά στην τιμή τα ενδοδαπέδια κανάλια προσφέροντας αυτή την τόσο καλαίσθητη λύση στους αρχιτέκτονες χαρίζοντας τους αρχιτεκτονική ελευθερία ενώ εξασφαλίζει μια υψηλή ποιότητα κατασκευής.
Ενδοδαπέδια κανάλια - Χαρακτηριστικά
❏ Επιλογή υλικού του καναλιού (κουτιού) - ανοξείδωτο ή σιδερένιο βαμμένο ηλεκτροστατικά με μαύρη πούδρα FeZn
❏ Επιλογή χρώματος περιμετρικής κορνίζα (χειλάκι) ανάμεσα σε φυσικό αλουμίνιο, ανοιχτό μπρονζέ ή σκούρο μπρονζέ και επιπλέον επιλογή ανάεσα σε δύο τύπους P & F (δείτε αναλυτικά στον κατάλογο)
❏ Εναλλάκτης - στοιχείο από CuAl με εξαεριστικό και και ορειχάλκινες συνδέσεις ½”
❏ Εφαπτομενικό ανεμιστήρα inverter DC 24V Γερμανικής κατασκευής με μεταλλικό προστατευτικό
❏ Αποστάτες για προστασία της γεωμετρίας του καναλιού κατά την εγκατάσταση και έγχυσης του μπετόν
❏ Προστατευτικά μεταλλικά καλύμματα για προστασία των υδραυλικών και ηλεκτρικών συνδέσεων
❏ Συνδέσεις αποστράγγισης για χώρους με μεγάλη υγρασία όπως πισίνες, μπάνια και σάουνες και για συνδυασμένη χρήση θέρμανσης και ψύξης
❏ Σετ στήριξης και ρύθμισης ύψους
❏ Όλα τα ενδοδαπέδια κανάλια παραδίδονται με προστατευτικό κάλυμμα ξύλου MDF 18mm για να τα προφυλάσσει από αντικείμενα και σκόνη κατά την τοποθέτηση
Σε τρεις βασικούς τύπους
❏ FXX για χρήση σε θέρμανση σε ξηρό περιβάλλον όπως γραφείο, σπίτι, κ.α.
❏ FWH για χρήση σε περιβάλλον με αυξημένη υγρασία όπως πισίνες, μπάνια, σάουνες
❏ FCX για συνδυασμένη λειτουργία θέρμανσης & ψύξης, με φυσική αποροή ή με αντλία συμπυκνωμάτων

Ειδικά σχέδια κατόπιν παραγγελίας!
Δυνατότητα σχεδιασμού και κατασκευής εξατομικευμένων τύπων κατάλληλων για τα πλέον απαιτητικά project όπως καμπύλα, με αόρατες συνδέσεις, γωνιακά, κ.α. Δυνατότητα βαφής του εναλλάκτη και των γριλών σε χρώματα παλέτας RAL. Απλά ζητήστε να επικοινωνήσουμε μαζί σας!
Τα ενδοδαπέδια κανάλια γίνονται εύκολη υπόθεση!

Υπολογισμός Ισχύος
Διαστάσεις Ύψος (Βάθος) x Πλάτος & Γρίλιες
Τα ενδοδαπέδια κανάλια κατασκευάζονται σε πολλά διαθέσιμα μήκη που ποικίλουν από 80cm έως 4m αυξάνοντας ανά μόλις 10cm και υπάρχει δυνατότητα ειδικής κατασκευής όπως άδειων συμπληρωματικών καναλιών με ενιαία γρίλια, διαμοιρασμένα με ενιαία γρίλια, ειδικών εναλλακτών για μεγαλύτερη αποδιδόμενη ισχύ, κ.α. Δυνατότητα βαφής του εναλλάκτη και των γριλών σε χρώματα παλέτας RAL.







