Ανάκτηση θερμότητας πισίνας, πλυντηρίων και άλλων θερμών ρευστών
Ανάκτηση θερμότητας από απορριπτόμενα ρευστά όπως από θερμαινόμενες πισίνες, βιομηχανικά πλυντήρια και άλλες εφαρμογές έως και 90% με διαφορά θερμοκρασίας έως και 2°C.
Σύστημα ανάκτησης θερμότητας MR
Το MR είναι ένα σύστημα ανάκτησης θερμότητας για πισίνες, βιομηχανικά πλυντήρια, βιομηχανία χάρτου και άλλες εφαρμογές που μειώνει σημαντικά την κατανάλωση ενέργειας, ανακτώντας έως και το 90% της απορριπτόμενης ενέργειας. Σε εφαρμογή σε θερμαινόμενη πισίνα, για περίπου 10.000 L νερού που πρέπει να αναπληρωθούν, επιτυγχάνεται εξοικονόμηση έως και 25 m³ αερίου την ημέρα.
Το σύστημα ανάκτησης θερμότητας MR, σχεδιάστηκε και κατασκευάστηκε στην Ιταλία από την Techno System και για το οποίο εκδόθηκε δίπλωμα ευρεσιτεχνίας. Είναι το πρώτο και μοναδικό στην Ιταλία σύστημα ανάκτησης θερμότητας για πισίνες και πλυντήρια και αποτελεί ένα δοκιμασμένο και επιβεβαιωμένα αποτελεσματικό σύστημα.
Το Υπουργείο Επιχειρήσεων, το Made in Italy, το Τμήμα Αγοράς και Προστασίας και η Γενική Διεύθυνση Βιομηχανικής Ιδιοκτησίας, αναγνώρισε το σύστημα ανάκτησης θερμότητας MR ως μία «βιομηχανική εφεύρεση» και το χαρακτήρισε ώς «σύστημα ανάκτησης θερμότητας από τα λύματα για την αναπλήρωση δεξαμενών θερμαινόμενου νερού».

Όταν το ζεστό νερό πρέπει να απορριφθεί και να αναπληρωθεί, το σύστημα ανακτά τη θερμότητα από αυτό, για να θερμάνει το εισερχόμενο κρύο νερό. Πρόκειται για ένα απολύτως πράσινο και βιώσιμο σύστημα που οδηγεί όχι μόνο σε γρήγορη απόσβεση του κόστους κτήσης του αλλά σε μεγάλη μελλοντική εξοικονόμηση ενέργειας. Λειτουργεί τόσο με χλωριομένο όσο και με θαλασσινό νερό.
Άλλοι τομείς εφαρμογής του είναι τα εργοστάσια δέρματος, η βιομηχανία τροφίμων, οι χαρτοβιομηχανίες και οπουδήποτε υπάρχουν ζεστά υγρά που πρέπει να απορριφθούν και να αναπληρωθούν με κρύα.
Καλέστε μας για περισσότερες πληροφορίες ή μια τεχνική και οικονομική προσφορά.
Εάν επιθυμείτε να μεταβείτε στην σελίδα των πλακοειδών εναλλακτών θερμότητας πατήστε εδώ.
Πώς λειτουργεί το σύστημα ανάκτησης θερμότητας ρευστών MRS / MRP
Ακολουθεί μια απλή περιγραφή του τρόπου λειτουργίας του συστήματος ανάκτησης θερμότητας MR:
- Μια δεξαμενή περιέχει νερό (π.χ. πισίνα, κάδος βιομηχανικού πλυντηρίου, κ.α.)
- Το νερό αυτό στη συνέχεια θερμαίνεται
- Για να γίνει η θέρμανση καταναλώνεται καύσιμο (αέριο, πετρέλαιο, ρεύμα)
- Στη συνέχεια, μέρος αυτού του θερμού πλέον νερού πρέπει να απορριφθεί (για λόγους υγιεινής π.χ. πισίνες ή λειτουργικότητας π.χ. πλυντήρια)
- Μαζί με το νερό που απορρίπτεται, απορρίπτεται αναπόφευκτα και η ενέργεια που έχει χρησιμοποιηθεί για την θέρμανση του και για την οποία ο καταναλωτής έχει ήση πληρώσει
- Ίση ποσότητα κρύου νερού εισάγεται εκ νέου στο σύστημα και ο κύκλος επαναλαμβάνεται με νέα ποσότητα ενέργειας να καταναλώνεται ώστε να θερμανθεί αυτή η νέα ποσότητα νερού
- Με το σύστημα ανάκτησης ενέργειας MR η ενέργεια αυτή αντί να απορρίπτεται, ανακτάται και μεταφέρεται στο κρύο νερό. Έτσι η ποσότητα καυσίμου που απαιτείται για να θερμανθεί ο νέος όγκος νερού μειώνεται σημαντικά.
Το σύστημα ανάκτησης θερμότητας πισίνας περιλαμβάνει όλα εκείνα τα εξαρτήματα που είναι απαραίτητα για μια ολοκληρωμένη και αυτόματη λειτουργία. η καρδιά του συστήματος όπου γίνεται και η εναλλαγή της θερμότητας είναι ένας πλακοειδής εναλλάκτης θερμότητας. Μέσω ενός ειδικού προγραμματιστή που περιέχει ημερολόγιο, είναι δυνατός ο προγραμματισμός του κύκλου ανάκτησης θερμότητας στις επιθυμητές ημέρες και ώρες. Μόλις ξεκινήσει ο κύκλος, το σύστημα μετρά τον όγκο του νερού και την θερμοκρασία του και αναλμβάνει δράση για την ανάκτηση της θερμότητας.
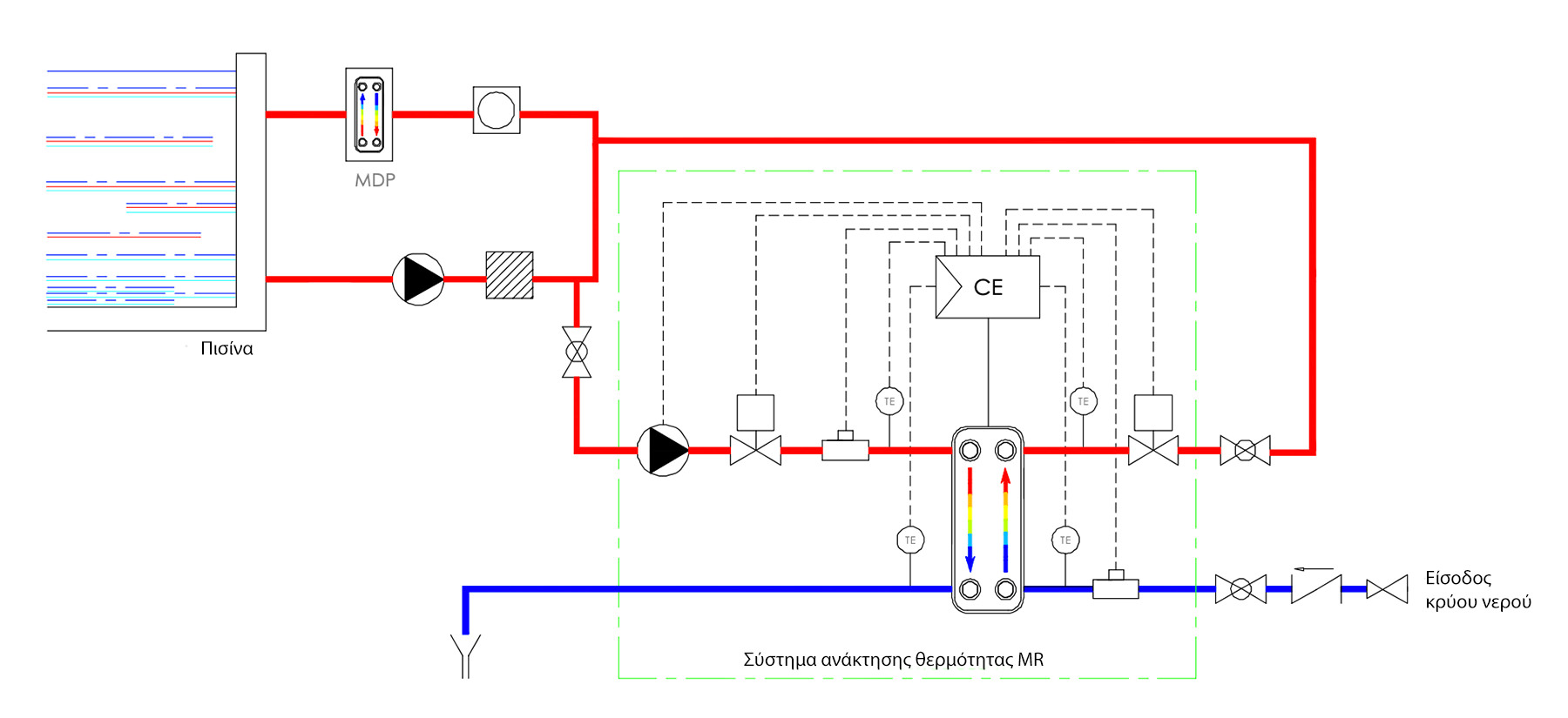
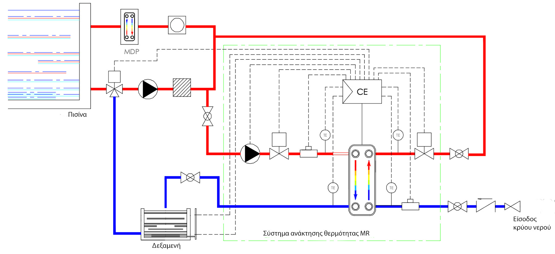
Σχέδια σύνδεσης συστήματος ανάκτησης απορριπτόμενης θερμότητας MR
Σύστημα ανάκτησης απορριπτόμενης θερμότητας

Σύστημα ανάκτησης απορριπτόμενης θερμότητας με χρήση δεξαμενής για αντίστροφο ξέπλυμα φίλτρων

